在安装完剩余电流式电气火灾探测器开通调试时,往往会出现因配电线路布设、接线等问题造成的探测器检测电流大而报警的问题。一方面可能线路存在严重漏电,这就必须高度重视查找和消除隐患;另一方面可能所监测电气线路已超出最大电流泄露值,需重新合理选择探测器监测位置(下一级配电箱);但多数原因是由于被检测线路穿过互感器时不规范导致主机报警,此时应尽快进行线路查看并纠正,消除误报警情况。
1.配电箱的组成部件

2.产生漏电的常见情况
1)互感器零线方向穿反;
解决办法:检查零线,搞清楚出线方向,正确穿过互感器。

2)互感器用户侧负载零线由于破皮、绝缘老化、接头包裹不严等原因导致对地绝缘不良。

3)互感器用户侧零线重复接地;或零线、地线混用,造成人为漏电。

4)互感器用户侧零线有负载接到互感器前的相线,即保护区域以外的其他线路与用户侧“共零”。这种为了敷设方便的不规范线路安装非常常见。哪怕只是走廊或强电电井里的几个灯泡,就足以造成探测器报警(一个25W的灯泡产生的电流在200mA左右)。

5)同一配电箱内,不同路监测的电流互感器后线路串电(包括火线和零线)。

6)不同配电箱出线的零线跨区混用,不同配电箱出线的零线并接或通过其他途径间接搭接。

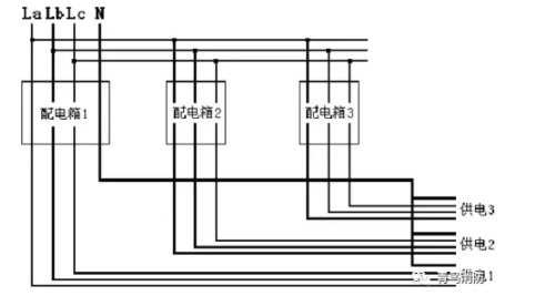
7)剩余电流探测器安装选点错误,如下图:只有总进线处及供电1、2、3路可以装设漏电保护装置(并要确保它们后面都是各自独立的),其他位置都无法装设,包括所有三个配电箱。

3.漏电报警检查方法
电气火灾监控系统虽属于弱电控制系统,但是其监控对象却大部分都是AC220V或AC380V的供电线路,因此调试人员必须提高安全意识,需在专业强电施工人员在场的情况下进行相应的漏电排查,尽量指导专业强电施工人员正确的排查方法由其自行操作,避免触电惨剧的发生!!!
1)观察法:检查是否将LA、LB、LC与N线或L与N线是否同时穿过互感器,配电箱内或附近有无用电设备(如强电井内灯泡)。
2)仪表测量法:在不停电情况下,利用钳形漏电电流表从电流互感器安装点以后逐级逐条线路检测。测试各配电箱PE线上的漏电流,与实际负载正常漏电流(一般的用电设备,如灯、家用电器,按每个0.5mA计算)进行比较。并可对负载线路逐段进行测试检查,测试时也应将LA、LB、LC与N线或L与N线同时套入。

3)分别断电法:将配电箱输出的空开逐个断开,观察探测器或监控器显示的漏电电流值,当电流恢复正常时,找出有问题的回路进行详细检查。
4)停电测量法:用万用表逐级逐条线路分别检测相线和中性线对地绝缘电阻值,阻值应在0.5M以上,通常在4~5M左右。
5)重复接地或接线故障的检查方法:N线与PE线搭接/错接;N线绝缘损坏。逐个检查配电箱(本级及前级)是否有N线(蓝线)接至接地排、PE线(黄绿线)接至接零排的情况。对于同一区域有多个双电源配电箱的工程,当出现断开一个配电箱的总断路器,另一配电箱探测器报警的情况,一般是PE线(黄绿线)接至接零排造成。
苏州智淼消防主营∶应急管理部发布新消防检测仪器设备全套配备、防雷检测装置,火灾现场勘查箱、消防监督检查验收箱、消防测试烟枪、试水装置、消防评估软件、建筑消防设施检测箱、电气防火检测设备,消防检测设备、消防安全评估设备等。















QQ咨询
苏公网安备32058102002165号